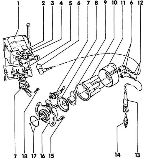
Распределитель зажигания и трансформатор высокого напряжения 4-цилиндрового двигателя1. Провода высокого напряжения 2. Трансформатор высокого напряжения 3. Штекер подавителя помех, 0,6–1,4 кОм 4. Клемма 4 5. Клемма 1 6. Клемма 15 7. Соединительный штекер 8. Гайка, 10 Н·м 9. Предохранительный колпачок 10. Свечной штекер, 4–6 кОм 11. Свеча зажигания, 20 Н·м 12. Стопорный винт, 25 Н·м 13. Клемма 14. Кольцо 15. Распределитель зажигания 16. Защитный колпачок 17. Бегунок распределителя зажигания Обозначение R1: 0,6–1,4 кОм 18. Скользящий контакт из графита с пружиной 19. Крышка распределителя 20. Экранное кольцо
Распределитель зажигания и трансформатор высокого напряжения 5-цилиндрового двигателя1. Трансформатор высокого напряжения 2. Клемма 4 3. Клемма 15 4. Клемма 1 5. Конечная ступень зажигания 6. Штекер подавителя помех, 0,6–1,4 кОм 7. Соединительный штекер 8. Пылезащитный колпачок 9. Бегунок распределителя зажигания Обозначение R1: 0,6–1,4 кОм 10. Крышка распределителя 11. Экранное кольцо 12. Провода высокого напряжения 13. Свечной штекер, 4–6 кОм 14. Свеча зажигания, 25 Н·м 15. Болт, 10 Н·м 16. Распределитель зажигания 17. Кольцо 18. Соединение с массой. Закрепляется на кузове
