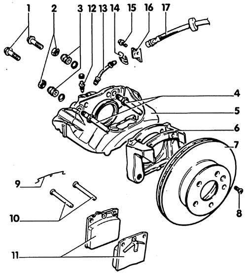
Тормозной механизм переднего колеса ( колеса 15 дюймов)1. Винт, 270 Н·м 2. Винт, 70 Н·м 3. Защитный колпачок 4. Направляющие винты 5. Корпус тормозного механизма (седла) 6. Тормозная опора 7. Тормозной диск 8. Винт, 5 Н·м 9. Стопорная пружина 10. Стопорные пальцы 11. Тормозные колодки с накладками 12. Винт выпуска воздуха 13. Тормозной трубопровод 14. Зажим 15. Винт, 10 Н·м 16. Кронштейн тормозного шланга 17. Тормозной шланг
Снятие
ПОРЯДОК ВЫПОЛНЕНИЯ 1. Ослабить болты колес. Машина стоит на колесах.2. Пометить положение диска колеса относительно ступицы краской, чтобы затем установить отбалансированное колесо в прежнее положение.3. Установить машину на козлы (домкрат), снять колеса.
Предупреждение Если тормозные колодки будут устанавливаться снова, перед снятием необходимо их пометить. Замена тормозных колодок снаружи внутрь и наоборот, а также с правого колеса на левое недопустима. Замена может привести к неправильному тормозному эффекту. Рекомендуется применять тормозные колодки разрешенные только для этой машины. Заменять одновременно все тормозные колодки дисковых тормозов, даже если лишь одна из них только достигла границы износа.
4. Вставить отвертку под стопорную пружину (стрелка) и снять ее со стопорных пальцев колодок.
5. Выбить стопорные пальцы с помощью молотка и обычной выколотки (а), имеющейся в продаже, например HAZET 748 Lgb-4.6. Вынуть тормозные колодки клещами, отверткой или съемным крюком.
Установка
Предупреждение При снятых тормозных колодках не выжимать педаль тормоза, в противном случае поршень будет выдавлен из корпуса цилиндра. Если, случайно, поршень будет все же выдавлен, установить его снова, при этом в гидросистему не должна попасть грязь. Затем выпустить воздух из тормозной системы.
ПОРЯДОК ВЫПОЛНЕНИЯ 1. Почистить мягкой металлической щеткой направляющую поверхность и места установки колодок в шахте корпуса, или протереть тряпкой, смоченной в бензине. Не применять растворителей, содержащих минеральные масла, и острые инструменты.2. Перед установкой колодок, необходимо проверить пальцами тормозной диск на отсутствие борозд. Борозды можно отшлифовать (на СТО), если диски имеют еще достаточную толщину. Шлифовать необходимо сразу оба тормозных диска, обращая внимание на достаточный запас толщины для износа. Если будет доводиться один тормозной диск, то и второй тоже должен быть доведен подобным же образом.3. Измерить толщину тормозных дисков (см. подраздел 7.5).4. Проверить отсутствие порезов на пылезащитном колпачке Поврежденный заменить, так как попавшая грязь быстро приведет к разгерметизации тормозного механизма (седла), после чего тормозной механизм потребует снятия и ремонта.
5. Вдавить поршень на место запрессовочным приспособлением. Это можно также сделать и черенком молотка из дерева твердой породы. Особое внимание обратить на то, чтобы не был перекошен поршень и не были повреждены поверхность поршня и пылезащитный колпачок. Установить на другую сторону тормозного диска старую тормозную накладку, для того чтобы при вдавливании поршня не перекосить тормозной диск.
Предупреждение При запрессовке поршня из тормозного цилиндра в расширительный бачок выдавливается тормозная жидкость. Наблюдать за жидкостью в бачке, при необходимости отсосать излишки резиновой грушей.
